當前位置:河南正大閥門管道有限公司 > 公司資質 > 正文
河南正大閥門管道有限公司
電話:0371-56672030
傳真:0371-56672030
聯系人:張經理
電話:18638121886
郵箱:hnzdfm@163.com
地址:河南省鄭州市高新技術產業開發區
上一篇:企業信用等級證書
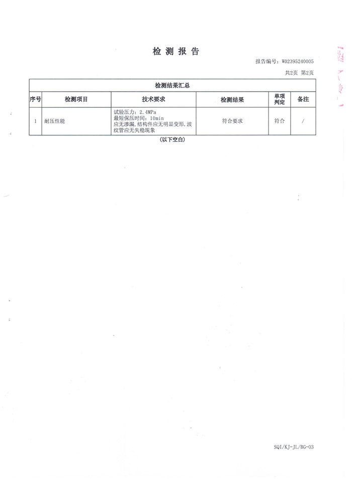
下一篇:橡膠軟接頭檢測報告
版權所有@河南正大閥門管道有限公司 地址:河南省鄭州市高新技術產業開發區
電話:0371-56672030 傳真:0371-56672030 聯系人:張經理 手機:18638121886 郵箱:hnzdfm@163.com